0757-29958887
首页
公司简介
公司简介
资质证书
组织机构
企业文化
客户展示
新闻中心
通知公告
时政新闻
行业动态
认证业务
管理体系
ISO9001
ISO14001
ISO45001
绿色低碳
其他业务
免费增值服务
线上体检
管理沙龙
公开文件
公开文件
证书样本
管理体系认证
环境管理体系
职业健康安全管理体系
防爆产品生产质量管理体系
工程建设施工企业质量管理体系
绿色产品管理体系
环境、社会与治理管理体系
绿色电力管理体系
企业社会责任管理体系
绿色物流管理体系
诚信管理体系
道路运输管理体系
医疗器械质量管理体系
供应链安全管理体系
绿色供应链管理体系
绿色运输管理体系
仓储管理体系
碳管理体系
碳中和管理体系
安全应急响应管理体系
产品碳足迹管理体系
顾客满意度管理体系
企业标准化管理体系
绿色工厂管理体系
管理体系认证2
QC080000管理体系
绿色包装管理体系
绿色环保企业管理体系
绿色设计产品管理体系
培训管理体系
企业履约能力管理体系
企业信用管理体系
数智化绿色低碳管理体系
数字化车间管理体系
未来工厂管理体系
温室气体管理体系
武器装备质量管理体系
物流服务管理体系
有害物质过程控制管理体系
智能制造管理体系
智能制造示范工厂管理体系
碳排放管理体系
静电防护管理体系
航空航天质量管理体系
数字领航企业管理体系
企业绿码管理体系
安全生产标准化管理体系
管理体系认证3
安全风险管理体系
道路交通安全管理体系
垃圾清运管理体系
实验室操作规范
应急预案管理体系
服务认证
售后服务完善程度评价认证
售后服务认证
客户服务
客户留言
认证证书查询
电子审核资料下载
下载中心
申请资料
文件下载
体系报告
联系我们
公开文件
公开文件
管理体系认证
证书样本
管理体系认证2
管理体系认证3
服务认证
企业标准化管理体系
您的位置:
首页
>
公开文件
>
管理体系认证
>
企业标准化管理体系
>
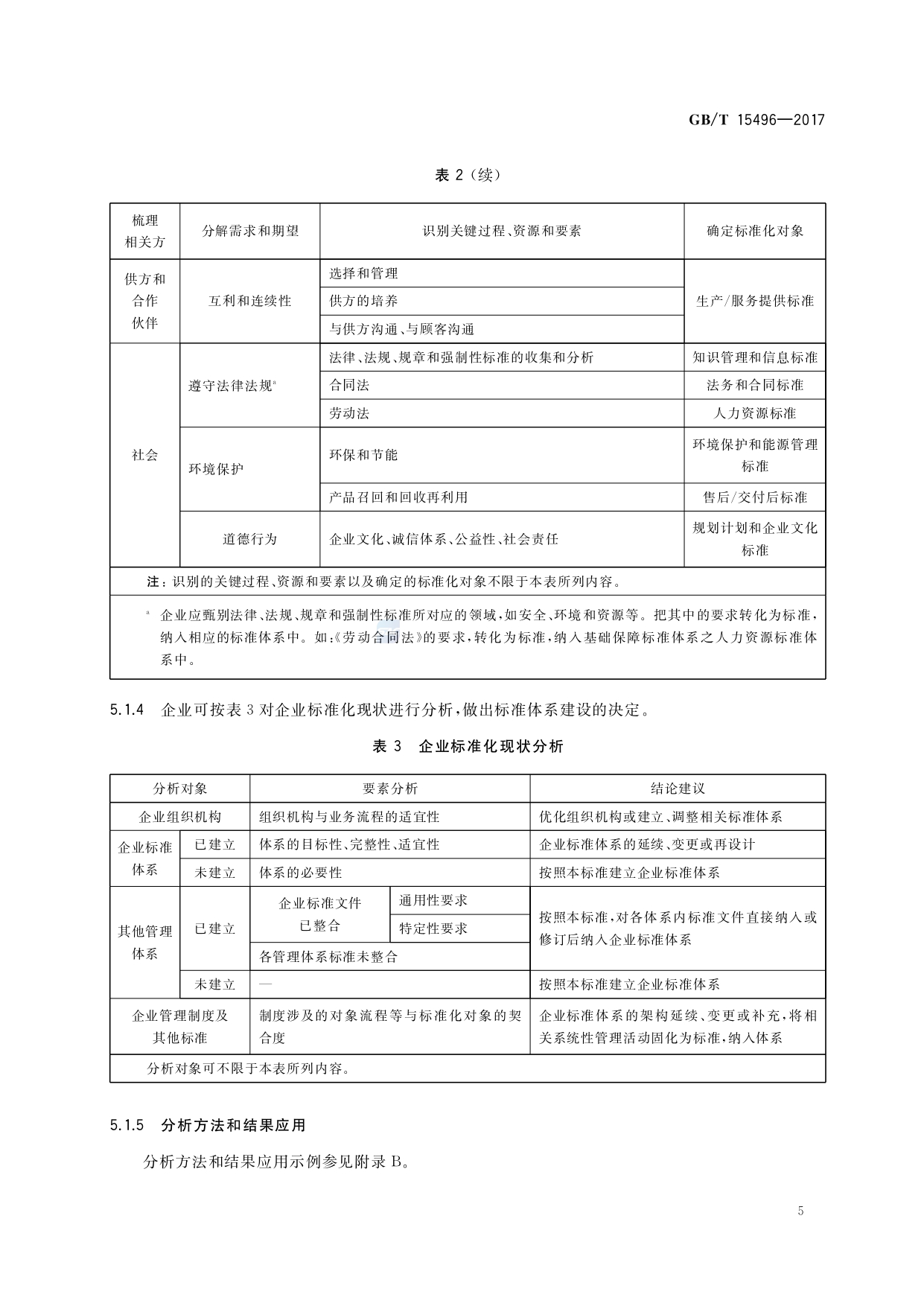
GB-T 15496-2017企业标准体系要求
上一篇:
GB-T 15497-2017企业标准体系产品实现
下一篇:
企业标准化管理体系认证规则公示
0757-29958887